Active PFC
Jelas sirkuit ini hanya ditemukan pada Power Supply yang memiliki PFC aktif. Pada Gambar 16 Anda dapat mempelajari sirkuit PFC aktif yang khas.
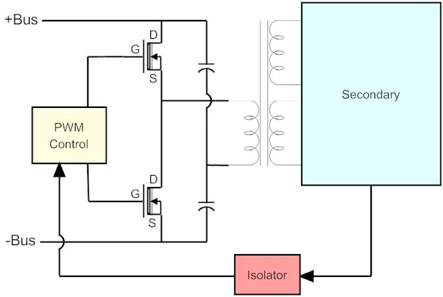
Gambar 16: Active PFC.
Sirkuit PFC aktif biasanya menggunakan dua MOSFET transistor daya. Transistor ini melekat pada heatsink ditemukan pada tahap catu daya primer. Untuk pemahaman yang lebih baik, kita memberi label nama dari setiap terminal MOSFET, S untuk Source, D untuk Drain and G untuk Gate.
Dioda PFC adalah dioda daya biasanya menggunakan kemasan yang mirip dengan transistor daya (tapi hanya memiliki dua terminal), dan juga melekat pada heatsink yang ditemukan pada tahap catu daya primer.
Kumparan PFC ditunjukkan pada Gambar 16 adalah kumparan terbesar pada power supply. Kapasitor elektrolitik adalah kapasitor elektrolitik besar Anda akan menemukan di bagian utama dari pasokan listrik dengan PFC aktif. Dan resistor yang ditampilkan adalah termistor NTC, yang merupakan resistor yang resistansinya berubah sesuai dengan suhu. Hal ini digunakan untuk mengkonfigurasi ulang power supply ketika digunakan dan sudah mulai panas. NTC singkatan Negative Temperature Coefficient.
PFC aktif kontrol biasanya didasarkan pada sirkuit terpadu. Kadang-kadang sirkuit terpadu ini juga bertugas mengontrol rangkaian PWM (digunakan untuk mengendalikan transistor switching). Sirkuit
terpadu semacam ini yang disebut "PFC/PWM combo". Sekarang mari kita lihat beberapa contoh dunia nyata. Pada Gambar 17 kita lepas heatsink utama sehingga Anda dapat melihat komponen dengan lebih baik. Di sebelah kanan Anda dapat melihat komponen penyaringan sementara yang kita sudah dibahas. Di sebelah kiri Anda dapat melihat komponen aktif PFC. Karena kita melepas heatsink, PFC aktif transistor dan dioda PFC tidak ada pada gambar ini. Jika Anda memperhatikan Anda akan melihat bahwa ini adalah Power Supply yang menggunakan kapasitor X diantara bridge dan sirkuit PFC aktif. Biasanya termistor, yang menyerupai sebuah kapasitor keramik disk dan biasanya berwarna hijau zaitun, menggunakan perlindungan karet, seperti yang Anda lihat. Seperti yang sudah kita sebutkan, kumparan power supply terbesar biasanya kumparan PFC aktif.
Gambar 17: Active PFC components.
bagian utama dari Power Supply yang digambarkan pada Gambar 17. Anda dapat melihat dua transistor
MOSFET daya dan dioda daya dari sirkuit PFC aktif.
Gambar 18: Components melekat pada primary heatsink.
Switching Transistors
Bagian switching pada switching mode Power Supply dapat dibangun dengan menggunakan konfigurasi yang berbeda. Dibawah ini ringkasan yang paling umum ditemukan:.
Tentu saja kita hanya menganalisis jumlah komponen yang diperlukan, ada beberapa aspek lain yang harus dipertimbangkan ketika memutuskan konfigurasi yang akan digunakan. Dua konfigurasi yang paling umum untuk Power Supply PC adalah two-transistor forward and the push-pull, dan keduanya menggunakan dua transistor switching. Aspek fisik dari transistor ini berupa transistor daya jenis MOSFET, dapat dilihat di halaman sebelumnya. Mereka melekat pada heatsink ditemukan pada bagian catu daya primer.
Di bawah ini kami menunjukkan skema untuk masing-masing dari lima konfigurasi.
Gambar 19: Single-transistor forward configuration.
Gambar 20: Two-transistor forward configuration.
Gambar 21: Half bridge configuration.
Gambar 22: Full bridge configuration.
Gambar 23: Push-pull configuration.
Circuit Control Transformer dan PWM
Seperti yang telah disebutkan sebelumnya, Power Supply PC biasa memiliki tiga transformator. Yang besar adalah yang ditunjukkan pada diagram blok (Gambar 3 dan 4) dan skema (Gambar 19 sampai 23), di mana transformator utamanya terhubung ke transistor switching dan transformator sekunder dihubungkan ke dioda penyearah dan penyaringan yang akan memberikan output catu daya DC (+12 V, + 5 V, 3,3 V, -12 V dan -5 V). Transformator kedua digunakan untuk menghasilkan output +5 VSB. Sebuah sirkuit independen menghasilkan output ini, juga dikenal sebagai "standby power". Alasannya mengapa adalah karena output ini selalu dihidupkan, bahkan ketika PC Anda "dimatikan" (yakni, itu adalah pada modus standby power). Transformator ketiga adalah sebuah transformator isolator, menghubungkan rangkaian kontrol PWM ke transistor switching (digambarkan sebagai "isolator" pada diagram blok).
Transformator ketiga ini tidak mungkin ada, digantikan oleh satu atau lebih optocouplers, yang terlihat
seperti sirkuit terpadu yang kecil (lihat Gambar 25).
Gambar 24: Power supply transformers.
Gambar 25: Power Supply ini menggunakan optocouplers pada PWM circuit.
Rangkaian kontrol PWM didasarkan pada sirkuit terpadu. Tanpa pasokan listrik PFC aktif biasanya menggunakan sirkuit terpadu TL494 (di power supply digambarkan pada Gambar 26 pada bagian yang kompatibel, DBL494 yang digunakan). Pada Power Supply dengan PFC aktif kadang-kadang digunakan sebuah sirkuit terpadu untuk menggabungkan kedua PWM dan PFC kontrol. IC tipe CM6800 adalah contoh yang baik PWM/PFC combo.
Gambar 26: PWM control circuit.












No comments:
Post a Comment
Silahkan Berkomentar Sesuai Dengan Kaidah dan Etika Yang baik